Испратете ни е-пошта
Вести

Изградба и одржување на мини багери

Изградба и одржување на мини багери


Иновации и интелигентно одржување на мини багери: мало тело што носи големи проекти


1 、 Анализа на изградбата на мини багери: Четиридимензионални технологии што го преобликуваат „вселенскиот волшебник“

Шасија и систем за одење:


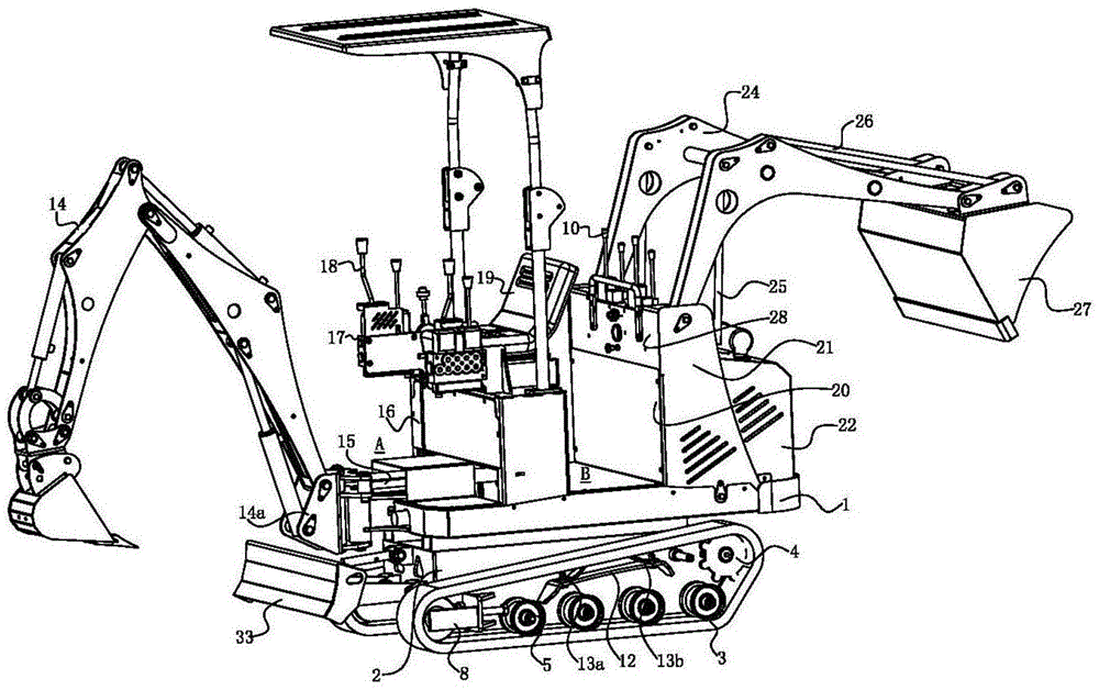
Дизајн на вртење на Tailless: Модели како Sany Sy18u усвојуваат структура „нулта опашка испакнување“, со радиус на вртење на опашката од само 0,86 метри, овозможувајќи 360 ° бесплатна ротација во тесни тунели без да се судираат со wallsидови. Во исто време, нашиот 0,8ton мини багер може да постигне и радиус на вртење од 1,1м, овозможувајќи бесплатно и флексибилно работење на тесни простори.


Прилагодлива рамка за песни: Мерачот на патеката може слободно да се прилагоди (како што е SY16C поддржува експанзија и контракција на 980-1350мм), што го олеснува преминувањето на тесните улички од 1 метар. Притисокот на заземјувањето на гумената патека е дури 25kpa, заштитувајќи го поплоченото тло.


Само подмачкувачки лежишта: Шасијата Јанмар користи пластични лагери Iglidur G наместо традиционални лагери за топки, кои се анти -фаулинг, анти 'рѓа и бесплатно за одржување, зголемувајќи го животот на услугата за три пати.




Електричен и хидрауличен систем:


Револуција со моќност со двојни режими: Малиот багер усвојува Kubota KX019, кој поддржува дизел/електричен префрлување со еден клик, пакет на батерии од 20kWh обезбедува 8-часовен опсег, а бучавата за работа во затворен простор е дури 66 децибели.


Интелигентна хидраулична контрола: технологија чувствителна на оптоварување (како што е Shengang SK35SR-6) постигнува точност на дистрибуција на проток од 1,8%, композитно дејство Брзина на реакција од 0,7 секунди и намалување на потрошувачката на енергија од 22%.




Подобрување на работната опрема:


Структура на отпорна на абење: Артикулираниот зглоб на бумот на компактен багер претрпел карбуризирачки термички третман (цврстина HRC55+), а корпата е заварена со плоча отпорна на абење Hardox500 (цврстина HB500), што го продолжува својот животен век за 30%.


Патент за странична рака на рака: Kubota U-15-3S постигнува лево отстапување од 595мм/десно отстапување од 350мм, а ископувањето на wallидот не бара движење на телото.


Ротационен уред, целокупна работа 360 °, флексибилна за прилагодување на разни работни околини.


Надградба на интеракција со човечки компјутер


Превртете ја отпорна кабина: Сертифицирано со ROPS/FOPS (отпорен на 16 тони статички притисок), опремено со лебдечки седишта, LCD екран на допир и мониторинг на опкружување на опкружување на АИ, намалување на слепите дамки за 40%.


2 、 Одржување и дневно одржување:

Златното правило за секојдневно одржување


Управување со хидрауличко масло: Користете анти-пила хидраулично масло бр. 68 во лето и масло со низок вискозност бр. 32 во зима. Редовно проверете ја чистотата на NAS (≤ ниво 8) за да спречите абење на пумпа и вентил.


Циклус на полнење со путер: Инјектирајте маснотии на секои 10 дена за ротирачкото лежиште и инјектирајте маснотии под висок притисок на секои 4-8 часа за точката на шарка на работниот уред за да се избегне заглавувањето на иглата.




Клучна техника за проширување на животот на компонентите:


Систем за песна: Прилагодете ја напнатоста за да избегнете да бидете премногу лабави (скокање заби) или премногу тесно (забрзување на абење); Редовно исчистете го чакалот за да го спречите неуспехот на запечатување на поддржувачкото тркало.


Одржување на „Триаголник на железо за носење“:

Проверете ја инспекцијата на чевли за пукнатини/500ч

Забите на погон на погон се рамни и се заменуваат веднаш

Истекувањето на маслото за заптивка на инертното тркало треба да се санира

Според статистиката на CAT Stowers, 80% од неуспесите во шасијата се предизвикани од овие три типа на компоненти.


Упатства за ракување со екстремни услови за работа:


Операција со голема надморска височина: Турбо -моторот на мини багерот има компензација на моќност од 15%, а хидрауличниот систем е опремен со вентил за компензација на притисок за да се спречи загуба на проток.

Операција за водата: Во италијанското спасување од поплави, современиот HX35AZ постигна длабочина од 0,8 метри преку модул за запечатено коло.


Долгорочни стандарди за складирање:


Паркирајте во сува просторија, поддржувајте ги патеките за да го намалите притисокот на заземјувањето;

Пополнете го резервоарот за гориво за да спречите кондензација, повлечете ги сите хидраулични цилиндри за да спречите стареење на заптивката;

Започнете еднаш на секои 3 месеци за да спречите да се наполни таблата.


3 、 Технолошка граница: Електрификација и интелигентно реструктуирање на индустриската екологија

Револуција на моќта:


Модуларна батерија: Hitachi ZX55U-6EB поддржува двоен погон на комерцијална енергија и батерија, со 2-часовно брзо полнење за да се исполнат 10 часа работа за 6 часа.


Тест за водородна енергија: HD Hyundai разви мотор на водородно гориво (HX12) за да постигне нула конструкција на јаглерод.


Предвидливо одржување:


ИОТ далечинска дијагноза: Sany SY35U е опремена со Hi Mate System, кој ги анализира податоците за температурата на нафтата и вибрациите во реално време, со стапка на точност за предупредување за дефект од 92%.


Помошта за одржување на AR: Kaise Micro Begerator обезбедува обука за работа со VR за мали багери, симулира 30 сценарија на дефекти и подобрување на ефикасноста на одржувањето за 40%.


4 、 Практичен сведок: Од реставрација на античка куќа до рударски справи

Враќањето на престојот на стипендист Минг и Кинг династија во Таижоу: Мал багер Кубота У-15-3S го заврши ископувањето на ровот на подземната цевка преку лак од 0,85 метри, а функцијата на странично движење на бумот го заштити античкиот wallид со 95% непроменета брзина.


Подземни операции во чилеански бакар рудник: компактен багер со модифицирана армирана кабина работеше постојано за 300 часа без никакви дефекти, што резултира со 23% намалување на трошоците за оптоварување.


Ноќна општинска конструкција во Токио: Чистата електрична верзија на мини багерот Sany SY19E работи тивко на 66 децибели, решавајќи го проблемот со „временскиот прозорец за градење“ во градот.


Заклучок: Мало тело носи голема иднина

Од ултра-тенкиот модел од 0,8 тони до 4-тонскиот тежок воин, малите багери се подложени на тројна еволуција на прецизна конструкција, диверзифицирани извори на енергија и интелигентно одржување, преобликувајќи ја глобалната парадигма за градежништво. Со годишната продажба која надминува 3100 единици на индискиот пазар и проценетата стапка на пенетрација од 40% за електрични мотори до 2025 година, оваа технолошка револуција на „користење на мали за да се добие голема“ е предодредена да открие златна можност на пазарот на трилиони долари.


Искуство за одржување на индустријата:

За компактните багери, прецизниот дизајн е 'рбетот, додека интелигентното одржување е извор на енергија, заштеда на трошоците за одржување за 1 јуани и намалување на трошоците за поправка за 10 јуани.



Поврзани вести
Остави ми порака
тел
+86-18153282520
Мобилен
Адреса
Западен пат Чанџијанг, округ Хуангдао, град Кингдао, провинција Шандонг, Кина
X
Ние користиме колачиња за да ви понудиме подобро искуство во прелистувањето, да го анализираме сообраќајот на страницата и да ја персонализираме содржината. Со користење на оваа страница, вие се согласувате со нашата употреба на колачиња. Политика за приватност
Отфрли Прифати